Диск Lemken Rubin /ВА-01.473/ (новый образец)

Артикул: ВА-01.473

Диск бороны Lemken Rubin нового образца Велес Агро

0 грн

*Ціна вказана без урахування ПДВ і ЗНИЖКИ (додатково 25% компенсації) та дійсна на території України

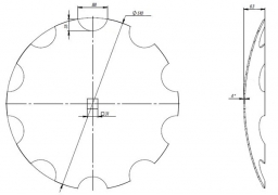
Диск бороны Lemken Rubin (новый образец).
Применяется для дисковых борон «Lemken» типа «Lemken Rubin» кат. №3490467.
Полусферический, самозатачивающиеся, вырезной диск типа «Ромашка».
Устойчивый к истиранию (износостойкость), высокая стойкость к ударам и изгибам.
Изготовлен из износостойкой (борсодержащей) стали с твердостью 48…52 HRC.

Диск бороны Lemken Rubin нового образца велес агро

Диски на імпортні дискові борони